AZIENDA VITIVINICOLA PUROVINO
Focus
Cesare e Valentina due imprenditori lombardi con la passione per il valore del vino, hanno deciso di trasformare questa passione in un’impresa.
In Toscana in provincia di Grosseto, immersi in un territorio spettacolare ricco di storia, hanno messo a dimora della viti tipiche del territorio e hanno costruito da zero una cantina per la produzione e l’affinamento del vino.
La loro scelta è stata da subito orientata all’ambiente su tutti i fronti, coltivazione biologica senza utilizzo di prodotti chimici industriali, raccolta dell’uva a mano e processi di produzione innovativi.
IL NOSTRO CLIENTE
L’installatore è la ditta ITS snc di Rotella Luigi e Francesco opera dal 1995 nella realizzazione di impianti termoidraulici.
Azienda a carattere famigliare composta da papà e 3 fratelli, da sempre orientata alla realizzazione di impianti chiavi in mano, con assistenza.
Grazie all’esperienza maturata negli anni, si definiscono “solutori dei problemi degli altri, loro arrivano dove gli altri si fermano”.
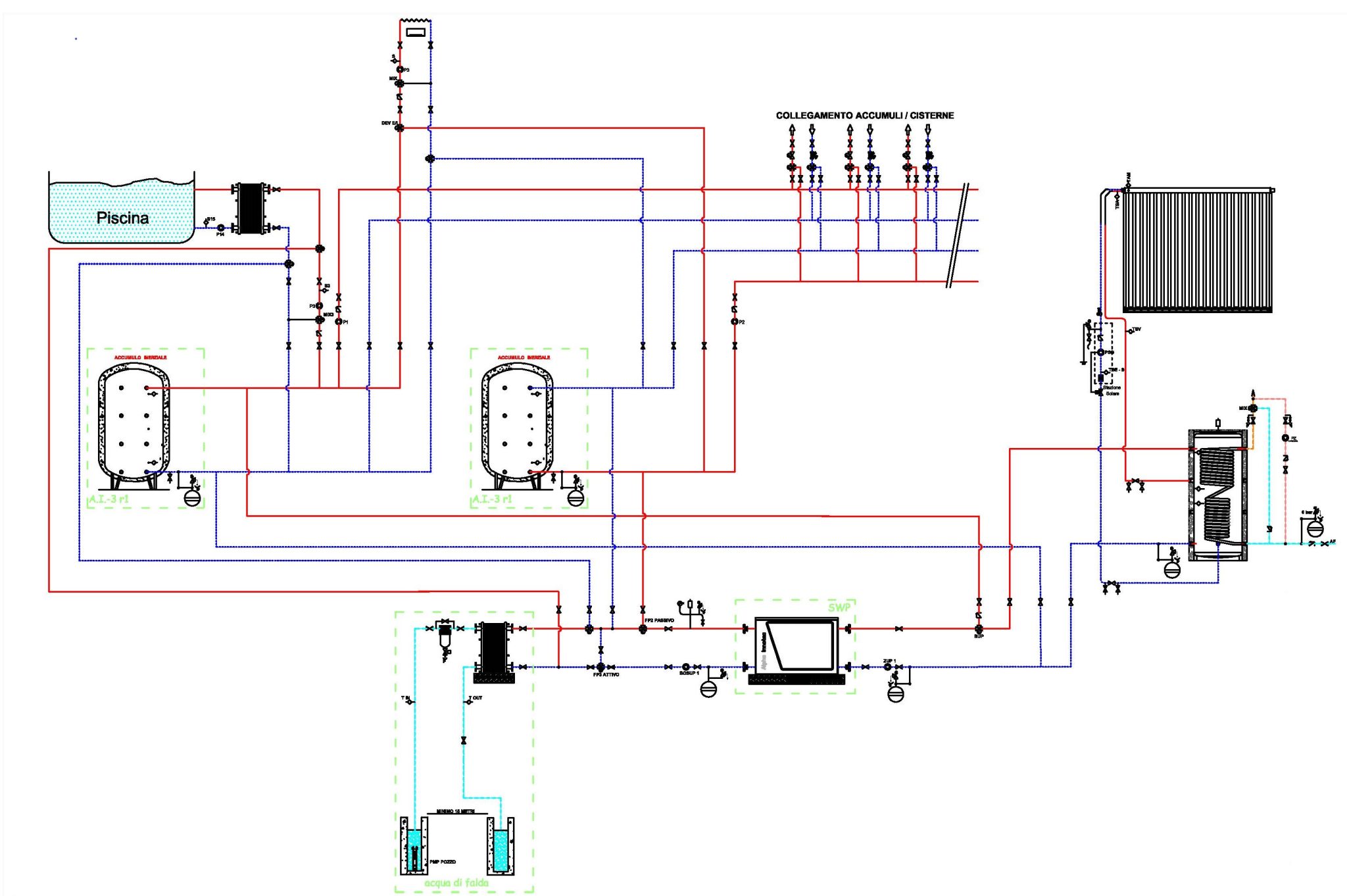
Per poter gestire le temperature nella cantina, e delle strutture, i proprietari anche qui, hanno fatto una scelta innovativa scegliendo una pompa di calore geotermica.
La pompa di calore ALPHA INNOTEC ad acqua di falda nel periodo invernale provvede alla produzione di acqua calda sanitaria al mantenimento della temperatura dei tini e al riscaldamento della struttura.
Nel periodo estivo la pdc provvede a mantenere una bassa temperatura nei tini, a raffrescare
l’abitazione e come “scarto” l’acqua calda prodotta viene utilizzata per la produzione dell’acs e successivamente al riscaldamento della piscina.
Solo dopo aver riscaldato acqua calda e piscina, viene utilizzata l’acqua del pozzo per la dissipazione
del calore prodotto, l’acqua utilizzata viene poi distribuita nell’impianto di irrigazione a goccia e nel fito depuratore.
Una termoregolazione NEXTREND consente di gestire tutte le fasi di produzione e distribuzione del calore consentendo l’attivazione dei vari processi, la segnalazione di eventuali anomalie anche da remoto.
L’installazione di un impianto solare termico PARADIGMA e di un impianto fotovoltaico, completano il percorso per un ciclo virtuoso ad impatto zero.
L'impianto
- Pompa di calore geotermica ALPHA INNOTEC
- Termoaccumulo combinato da 600 lt NEXTREND
- Accumulo ACS caldo/freddo da 500 lt NEXTREND
- Pannello solare PARADIGMA
- Regolazione NEXTREND
Schema idraulico

Il Cliente e gli Installatori
Installatore I.T.S snc di Rotella Francesco & Luigi – Via Olona, 26 – Gorla Minore (VA)
itstor.lf@libero.it
Utente Finale Azienda Agricola Purovino – Podero Corso, 27 – Montiano (GR)
http://www.agricolapurovino.it – info@purovino.it
